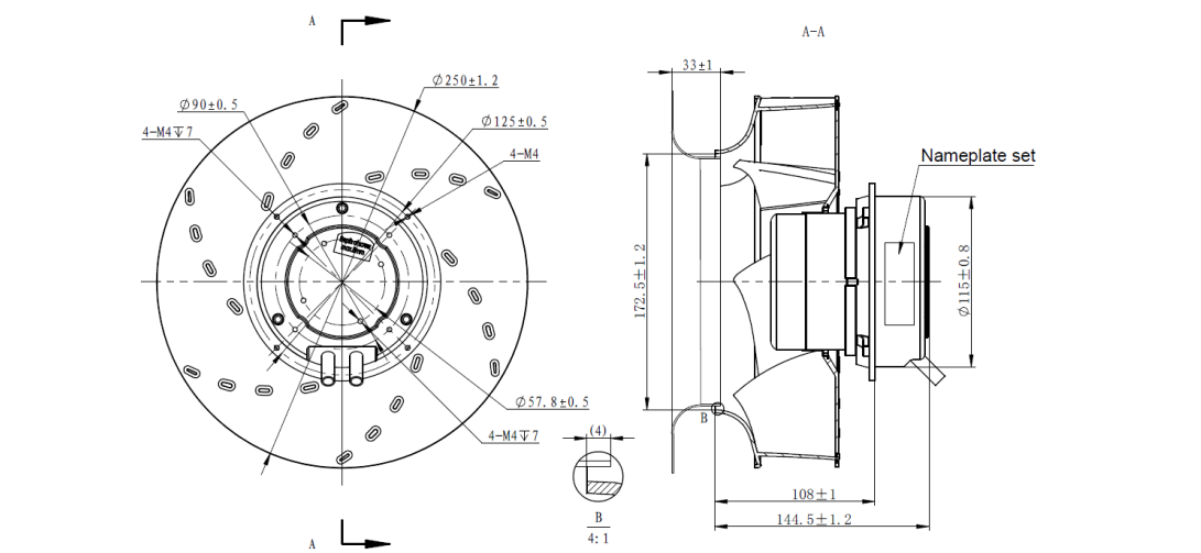
Model & Category
| Product model | SC250F5-075-000 |
| Product category | Backward centrifugal fans |
Basic parameters
| Voltage type | Single phase AC |
| Voltage (V) | 230 |
| Frequency(Hz) | 50/60 |
| Capacitance(μF) | - |
| Current(A) | 1.57 |
| Power(W) | 217 |
| RPM(RPM) | 2990 |
| Diameter Φ(mm) | 250 |
| Airflow(m3/h) | 1730 |
| Noise(dB) | 78 |
